Introduzione
Un tema rilevante nel trasporto aereo è quello relativo agli effetti che i sistemi di controllo di gestione esercitano sulla progettazione e sulla pianificazione della struttura organizzativa d’impresa e le conseguenti ricadute sociali generate dal mutare degli equilibri relazionali tra gli individui che compongono l’organizzazione.
Tale tema risulta di particolare interesse e criticità soprattutto nelle imprese che producono manutenzione ad alta tecnologia, come ad esempio quella che viene svolta all’interno dei meccanismi di processo di un’aerolinea.
La manutenzione nel trasporto aereo
Nel trasporto aereo l’opera del manutentore è di estrema importanza, essa infatti, oltre a dover garantire la sicurezza del volo, è un fattore che influisce notevolmente sul conto economico di una compagnia aerea. L’obiettivo di questa ricerca è quello di introdurre un approccio di tipo totalizzante al controllo di gestione della manutenzione di un’aerolinea, considerandolo integrato all’interno di processi aziendali legati alle operazioni di volo e introducendo una visione di tipo tridimensionale dei processi interni, tramite l’associazione di una terza dimensione alle due già largamente consolidate in letteratura, note come paradigmi di efficacia ed efficienza. La terza dimensione verrà quindi definita come dimensione “sociale”, conseguenza diretta delle dinamiche di interazione tra controllore e controllato, ovvero come rete di relazioni e di valore generate dalla gestione aziendale e dalle sue interazioni con i portatori di interessi dell’organizzazione dedicata ai processi manutentivi.
I sistemi di controllo economico dei processi possono essere declinati secondo due differenti approcci: quello orientato alle tecniche razionali, ovvero allo sviluppo di modelli quantitativi atti ad aggregare i costi intorno a un prodotto o a un processo oggetto di analisi, e quello orientato nel definire un sistema di controllo che ai modelli puntuali predilige gli aspetti di natura sociale e d’interrelazione, focalizzandosi su quello che Vittorio Coda (1) definisce il “sistema dei portatori di interessi” all’interno della sua “formula imprenditoriale”.
Il sempre maggior interesse nel relazionare la struttura di controllo con il design organizzativo non può non essere correlato all’evoluzione dei sistemi di controllo di gestione che, partendo dai cosiddetti modelli tradizionali, improntati alle configurazioni di costo del prodotto come oggetto esclusivo della ricerca, passando attraverso la metodologia dei centri di costo, si sono nel tempo sviluppati secondo orientamenti sempre più focalizzati al controllo delle attività di processo interno (Activity Base Costing).
In tale contesto, le risorse umane, quali attori primari dei meccanismi di funzionamento dell’impresa, assumono un ruolo sempre più importante nei processi di analisi elaborati dai modelli di controllo e la relazione con la struttura organizzativa. È quindi tema non banale nella costruzione di un sistema di monitoraggio aziendale integrato, in special modo in un contesto assai critico come quello dei processi da eseguire per garantire la sicurezza di un mezzo come l’aeroplano.
La globalizzazione dei mercati ha incrementato il numero di soggetti entranti nelle arene competitive di numerosi settori di business. Il trasporto aereo, grazie al “The Deregulation Act” del 1978 (2), ha sperimentato da quell’anno in poi un sensibile incremento dei player di settore e il conseguente notevole incremento del livello di competitività all’interno del mercato globale. Questo ha avuto notevoli effetti sul ciclo di vita e sui processi interni delle aerolinee che, per far fronte ad una competizione crescente, hanno dovuto migliorare costantemente gli standard di efficienza ed efficacia dei processi interni.
Solo i player che sono riusciti a implementare tali standard si sono garantiti un profittevole ciclo di vita imprenditoriale, molti invece sono usciti dal mercato, o perché assorbiti da organizzazioni più grandi ed efficienti o perché costretti a chiudere per insolvenza. Ecco, quindi, che l’interazione tra il sistema di controllo di gestione e la progettazione organizzativa sembra essere elemento sempre più critico nello scenario macroeconomico del trasporto aereo in continua evoluzione e, di conseguenza, il processo manutentivo, per le sue criticità già evidenziate, si è dimostrato essere fattore fondamentale nel successo (o insuccesso) imprenditoriale delle iniziative che sempre più numerose hanno popolato il settore dal “Deregulation Act” in poi.
L’esperienza odierna, ci dimostra inequivocabilmente come non sia più possibile ricorrere a modelli di controllo empirici non correlati alla proposta di modello organizzativo, ma occorre tracciare un percorso di adeguamento reciproco, codificando le relazioni di potenziale compatibilità. La definizione di tale percorso non è standardizzabile in quanto non esiste un unico modello di controllo di gestione adatto a tutte le aerolinee. Ognuna di essa è unica, ovvero ha caratteristiche esclusive di tipo sociale, culturale e relazionale che la rendono diversa da ogni altra, per cui occorre implementare un sistema di controllo che oltre a garantire i livelli di efficienza e di efficacia attesi deve essere adeguato all’unicità della dimensione socio-organizzativa e integrato con il tessuto sociale dell’impresa.
Al fine di concepire un modello di controllo adeguato alla specificità di un’aerolinea e ancor di più alla specificità dei processi manutentivi, occorre intanto delineare un processo analitico che definisca il livello di compatibilità tra modelli di controllo e modelli organizzativi, al fine di introdurre una relazione positiva e univoca con i valori sociali che determinano il posizionamento del sistema dei portatori di interessi all’interno della formula imprenditoriale.
Il lavoro di ricerca relativo ai modelli gestionali evoluti si caratterizza sin dagli anni 80 per una visione parziale dei meccanismi interni d’impresa tra coloro che perseguivano metodologie focalizzate prevalentemente su funzioni matematiche e coloro che si ispiravano a una logica di tipo socioculturale.
Herb Kelleher (3) con la sua Southwest Airlines stravolse il concetto imprenditoriale di società di servizi nel trasporto aereo. È evidente che, sino ad allora, l’orientamento che prevaleva nel trasporto aereo era quello di privilegiare modelli di controllo empirici di tipo matematico funzionale che spesso non si dimostravano essere efficienti perché non adeguati a intercettare e contrastare la moltitudine di variabili esogene che da sempre risiedono in questo modello di business. Kelleher si orientò nel considerare un approccio diverso, ovvero ricercando l’applicazione di modelli che potessero contenere delle peculiarità efficaci nel contrastare l’effetto delle variabili esogene sull’efficienza dei meccanismi di processo interno.
Per determinare una struttura funzionale nell’incrementare i tassi di efficienza dei processi manutentivi, occorre intanto un percorso a ritroso, ovvero occorre partire dagli inizi degli anni 90, quando l’evoluzione della ricerca sulla gestione aziendale si aprì a considerare una visione meno settaria, avvicinandosi a una definizione dell’impresa come un insieme correlato di modelli di controllo e di modelli organizzativi.
Nello specifico, si possono individuare quattro correnti di pensiero:
- Alcuni studiosi si concentrarono sul contesto esterno allo scopo di verificare l’influenza delle contingenze esterne sul percorso storico dell’impresa e da qui determinare la propensione dell’organizzazione ad accettare il cambiamento generato dall’impiego di nuovi sistemi di controllo di gestione;
- Una seconda corrente di pensiero si focalizzò su aspetti interni all’organizzazione, evidenziando l’influenza del sistema di controllo di gestione sui processi di integrazione gerarchica attraverso l’elaborazione delle informazioni necessarie ai responsabili della gestione del cambiamento interno;
- Un terzo filone di ricerca si focalizza sull’importanza del sistema di controllo di gestione in riferimento allo sviluppo e alla gestione delle interdipendenze nella progettazione della struttura organizzativa.
- Infine, un ultimo insieme di ricerche può essere ricondotto a una visione del sistema di controllo di gestione come strumento di stimolo al cambiamento della struttura organizzativa per gli attori coinvolti nei processi.
In complesso, l’evoluzione della ricerca, più che trovare dei percorsi di analisi condivisi, ha generato un processo di stratificazione rispetto alle divisioni iniziali. L’unico elemento concettuale che accomuna questi quattro differenti approcci letterari lo possiamo identificare nel pensiero condiviso sull’idea che l’implementazione di un modello di controllo di gestione definisce nuove interrelazioni tra gli attori dei processi aziendali, non solo per il variare degli equilibri gerarchici ma anche per una gestione necessariamente diversa dei flussi di informazioni interne.
Appare, quindi, abbastanza logico dedurre che l’organizzazione è notevolmente influenzata da una ridefinizione del modello di controllo, per cui un processo di adeguamento della pianta organica e delle interdipendenze deve essere necessariamente messo in atto se non si vuole incorrere nel rischio di inficiare l’efficacia del modello implementato che, come già ribadito, è specifico e unico come unica nelle sue specificità è ogni impresa.
Per altro verso, riprogettare la struttura organizzativa di una impresa non può rifarsi esclusivamente alle interrelazioni sociali tra gli attori che la compongono, tralasciando la relazione con i meccanismi di controllo dei processi interni. A maggior ragione se si considera il fatto che tali meccanismi sono sempre più orientati verso le attività e meno verso i processi di aggregazione dei costi al prodotto.
Alla luce delle considerazioni esposte, un approccio totalizzante appare sempre più opportuno nel ridefinire il nesso di relazioni tra i modelli di controllo di gestione e i modelli relativi alla progettazione organizzativa relativa ai processi di manutenzione aerea.
Nello specifico, reputo interessante verificare se esiste la possibilità di pensare a un sistema di controllo che oltre a elaborare dati trasformandoli in informazioni al fine di incrementare il livello di conoscenza del decisore e facilitarne i processi decisionali, possa allo stesso tempo contribuire alla definizione del processo di integrazione utilizzando una modalità di osservazione diversa da quelle proposte dalla letteratura esistente.
L’idea è quella di avvalersi di una prospettiva tridimensionale, che figurativamente possiamo descrivere come l’intersezione in un punto che definisce le migliori soluzioni di tre vettori rappresentanti, rispettivamente, il livello di efficienza, il livello di efficacia e il livello di intensità sociale, inteso non più come mero indicatore della qualità del sistema di interrelazione politico sociale che correla l’impresa ai suoi portatori di interesse interni ed esterni, ma piuttosto cercando di estendere il concetto di valore sociale attraverso un percorso critico definito da un processo di integrazione e di settaggio delle competenze, che miri a estendere la dimensione individuale del portatore d’interesse declinandolo come una unità aggregata di relazioni industriali attorno al quale si muovono i flussi di processo necessari al funzionamento dei meccanismi interni di una impresa che deve dar luogo a processi ad alto coefficiente di criticità, come è certamente una impresa di manutenzione aerea, sia che essa sia all’interno del perimetro di una aerolinea sia che essa sia una entità autonoma che produca servizi manutentivi per conto di terzi.
In concreto, il sistema tridimensionale a cui mi riferisco è la sintesi di due modelli: il primo orientato ai metodi avanzati quantitativi di controllo, il secondo orientato alla progettazione della struttura organizzativa, secondo un processo a regressione lineare focalizzato sulle conoscenze peculiari delle risorse umane.
La costruzione del modello tridimensionale
Partendo quindi da questi due modelli, il sistema viene a essere costruito secondo una metodologia a stadi progressivi. Da un punto di vista meramente metodologico, si intende realizzare una mappa planare di ogni modello esaminato e successivamente analizzare le intersezioni dei piani per identificare i metodi comuni rispetto a due delle tre dimensioni proposte: l’efficienza e l’efficacia. I metodi comuni rilevati costituiranno l’essenza del nuovo modello proposto a cui, in seguito, onde rendere il modello completo, verrà associata la terza dimensione proposta e relativa all’intensità del valore sociale, attraverso l’utilizzo di metodologie “derivabili” in maniera diretta dalle discipline sociali.
Tale modello deve essere quindi sottoposto a un’analisi quantitativa per esaminarne le caratteristiche reali e, nel caso, occorre considerare in questa fase eventuali aggiustamenti operativi, onde garantire l’affidabilità e l’applicabilità del risultato finale rispetto a uno scenario reale. L’obiettivo finale è la realizzazione di un modello concreto e immediatamente applicabile al contesto di managerialità di un’organizzazione complessa come quella che si occupa di manutenzione aerea.
I processi di manutenzione
Gli attori della manutenzione aerea, denominati MRO (Maintenance Repair Organization) che prestano servizi di manutenzione, riparazione e revisione di velivoli commerciali e dei componenti, possono essere delle imprese indipendenti che offrono servizi in conto terzi alle aerolinee o essere parte di un’aerolinea ovvero il dipartimento che provvede “in house” ai servizi di manutenzione dei propri aeromobili e, in taluni casi, vende anche a terzi i propri servizi.
In entrambi i casi, la manutenzione dei velivoli viene a essere processata secondo dei criteri standard che possiamo certamente definire sequenziali e che vengono a essere sviluppati secondo un modello ciclico routinario imposto dai bollettini editi dalle case costruttrici di aeromobili. L’insieme di questi “service bulletin” costituisce il programma di manutenzione e ogni modello di aeroplano autorizzato a volare dalle autorità aeronautiche ha un suo programma manutentivo approvato dalle autorità che gestiscono la sorveglianza e la sicurezza del volo.
Dallo scenario testé descritto, possiamo agevolmente assumere una prima importante considerazione: il processo di manutenzione aerea si caratterizza per essere composto da azioni che si ripetono ciclicamente e che sono pressoché identiche nel modello di performance. Da questa considerazione, si può agevolmente desumere che la progettazione della gestione organizzativa è portata ad assumere dei contorni “statici”, ovvero si tende a elaborare organigrammi e flusso di lavoro e impostare politiche interne specifiche che rimangono sempre le stesse, poiché basate sulla ripetitività dei processi, piuttosto che orientarsi nell’impostare politiche per migliorarle. La progettazione del lavoro, quindi, spesso rimane invariata e non tiene conto di come le dinamiche all’interno delle organizzazioni siano costantemente in movimento.
Nel settore del trasporto aereo, e in special modo per quanto concerne la parte manutentiva, molti player hanno continuato a svolgere le loro attività routinarie senza spesso tenere conto dell‘aumento della complessità tecnologica in un ambiente già di per sé a tecnologia avanzata e del livello di competitività imposto da mercati a loro volta sempre più condizionati da un irreversibile processo di globalizzazione
Cosa succede quando il lavoro inizia a muoversi nel sistema e si verificano problemi che non sono descritti nella progettazione del lavoro? Spesso accade che si sviluppino soluzioni alternative, il tempo di risposta aumenti, i problemi si accumulino e gli ordini subiscano ritardi. Quando le organizzazioni si trovano in questa situazione, le nuove iniziative spesso restano indietro, i costi e le frustrazioni dei dipendenti aumentano. Ciò si traduce nell’organizzazione che fallisce o non soddisfa il suo potenziale e questo è quello che non di rado caratterizza la storia di molti degli MROs nell’ultimo trentennio.
L’errore è spesso quello di attribuire agli individui piuttosto che al sistema le responsabilità dei problemi ricorrenti riscontrati all’interno dell’organizzazione. Come suggerisce la ricerca, un cattivo sistema sconfigge costantemente un buon dipendente, nonostante le buone intenzioni e una forte etica del lavoro (Repenning 2017) (4).
Solo una volta che la progettazione del lavoro è sostanziale e coerente rispetto ai processi si dovrebbe passare all’analisi delle prestazioni individuali e del come gestirle. Viceversa, spesso si cade in quelle che possiamo definire le trappole dell’inconscio che condizionano il decisore e che risiedono nei processi statici e ripetitivi di un’impresa.
Queste trappole sono per lo più originate da tre ordini di fattori: il primo di tipo euristico, il secondo si manifesta sotto forma di pregiudizio e il terzo sotto forma di anomalie irrazionali nel nostro pensiero. Ciò che rende tutte queste trappole così pericolose è la loro invisibilità, in quanto sono cablate nel nostro processo di pensiero, non riusciamo a riconoscerle, neanche se ci cadiamo dentro, ed è proprio il rimanere intrappolati in queste forme di pregiudizi che rende ancora più difficile l’evoluzione e l’innovazione dei processi, soprattutto quando questi ultimi presentano un elevato livello di routine come quelli riguardanti la manutenzione aerea.
Il trasporto aereo rappresenta uno dei settori industriali tra i più colpiti dagli effetti del COVID-19, ma, quello che sembra essere una crisi senza fine dell’intero settore, in realtà nel medio periodo, contribuirà a una evoluzione di tutti i processi all’interno della catena del valore. La vera sfida che dovranno intraprendere tutti i player del trasporto aereo sarà quella di una revisione totale dei processi, cercando di raggiungere un evoluto livello di efficienza tale che possa garantire un livello di efficacia adeguato ai nuovi equilibri che si verranno a generare nella catena di valore del trasporto aereo post pandemia.
In questo scenario, gli MROs giocheranno un ruolo assolutamente fondamentale e solo chi saprà innovare e ripensare al concetto di standardizzazione di processo potrà acquisire un vantaggio competitivo concreto e sostenibile nel tempo. E, per far ciò, occorre superare le già citate trappole dell’inconscio e orientarsi verso l’innovazione dei processi e del progetto organizzativo. In questo scenario, anche gli enti regolatori, a iniziare da FAA (Federal Aviation Administration) ed EASA (European Aviation Safety Agency) dovranno aprirsi alle sperimentazioni e prendere in considerazione la certificazione delle nuove procedure.
Un esempio pratico di innovazione di processo nell’ecosistema della manutenzione aerea: la gestione del magazzino parti di ricambio
L’introduzione di metodologie innovative nell’area della produzione e nella gestione delle scorte (come il just in time) e di modelli di attenzione alla qualità (lean production) ha generato una visione dinamica del magazzino aziendale. L’obbiettivo è quello di ridurre i costi operativi diretti e indiretti che spesso rendono onerosa e inefficiente la gestione globale degli approvvigionamenti.
In questo contesto, l’inserimento di una filosofia di controllo innovativa, com’è la logica delle reti neurali in campo aeronautico, che ha visto spesso convivere criteri analitici piuttosto rigidi con soluzioni empiriche e statiche dovute alla ripetitività degli eventi di processo, può rappresentare davvero una rivoluzione gestionale in termini di costi, di qualità della performance e di safety. È necessario preliminarmente, senza voler entrare nella suddivisione delle parti di ricambio in ottemperanza alle normative aeronautiche Parte M (5), procedere a inquadrare i costi associati alle scorte:
- Costi delle immobilizzazioni di magazzino. Riferiti ai costi che crescono con l’aumentare delle giacenze, potendosi considerare proporzionali alla quantità delle giacenze stesse, al loro valore e al tempo di giacenza. Le principali voci che compongono i costi di immagazzinamento, ordinate indicativamente in ordine decrescente d’importanza, sono:
– Costo opportunità del capitale immobilizzato nelle giacenze. È la potenziale rendita finanziaria cui si rinuncia decidendo di mantenere un certo livello di scorte. Si calcola stimando quanto si sarebbe potuto ottenere investendo in altro modo il capitale impegnato nelle scorte. Come rendita minima si può considerare l’interesse di un deposito bancario, ma gli investimenti aziendali forniscono in genere rendite maggiori, e risulta quindi più realistica una stima basata sul valore del MARR (Minimum Attractive Rate of Return), ovvero il tasso di rendimento normalmente ottenuto da una impresa attraverso le immobilizzazioni finanziarie;
– Costi sostenuti per assicurarsi contro eventuali rischi d’incendio, furto o altro, proporzionali al valore unitario del prodotto;
– Costi operativi di immagazzinamento e movimentazione. Possono essere di moltissimi tipi e dipendono soprattutto dalle caratteristiche fisiche del prodotto: costo dello spazio impegnato, costo delle utility nel magazzino, costo del lavoro di movimentazione, ecc;
– Costi dovuti a obsolescenza dei prodotti o a cicli di vita limitati delle parti di ricambio. È probabilmente la voce di costo più volubile, potendo essere insignificante per alcuni prodotti e determinante per altri. Le regole aeronautiche impongono una costante osservazione dei pezzi di ricambio in magazzino, soprattutto in relazione ai LLP (Life Limited Parts), che periodicamente devono essere ri-certificati, dal punto di vista dell’efficienza. Vi son poi alcune parti legate alla componentistica avionica, che perdono valore con il passare del tempo. In questi casi è determinante garantire un’elevata rotazione delle scorte.
- Costi delle ordinazioni. Risultano in genere crescenti al diminuire delle giacenze. Per mantenere basso il livello delle scorte, servono infatti ordini frequenti di quantità ridotte. Alcuni costi, dovuti alle emissioni degli ordini, al trasporto o alla ricezione, sono legati strettamente al numero di ordini, e non dipendono dalla loro entità.
- Costi per “rotture di magazzino”. Sono i costi o le perdite dovuti al mancato adempimento delle richieste di parti di ricambio, della direzione tecnica e del conseguente stato di aeroplano non operativo, perché in avaria. I costi indiretti, in questo caso, sono: l’assistenza dovuta per legge ai passeggeri lasciati a terra, il possibile impiego di aeromobile di backup con conseguente volo di trasferimento e relativi costi, il posizionamento della squadra di tecnici certificata, per la rimessa in efficienza dell’aeroplano rimasto a terra. Questi costi spesso diventano il vero tallone di Achille delle compagnie aeree, sino, in molti casi, a contribuire in maniera determinante al fallimento delle stesse. Essi risultano crescenti al diminuire delle scorte, poiché è più probabile soddisfare picchi di domanda se la scorta di sicurezza è elevata. Sono indubbiamente i costi più difficili da quantificare e da prevedere, e per questa ragione non vengono inclusi nella maggior parte dei modelli analitici di gestione, che prendono in considerazione solo le prime due categorie di costo.
Appare del tutto evidente, quindi, che nell’ecosistema di una aerolinea, e quindi di un MRO, la gestione del magazzino ricambi è fattore di notevole criticità, ecco quindi che si potrebbe pensare a una gestione dei processi di magazzino usufruendo di modelli definiti a reti neurali, ovvero attraverso la progettazione di un compendio modulare che preveda la suddivisione della struttura generale del sistema di gestione delle parti di ricambio in due sezioni interagenti:
- Una algebrica di aggiornamento dell’inventario;
- Una a reti neurali al fine di stimare i fabbisogni della domanda.
L’aggiornamento dell’inventario è quindi eseguito in maniera deterministica, mentre alla logica delle reti neurali, o logica fuzzy, si delega il compito di gestire il problema dell’incertezza legata ai fabbisogni. La prima sezione del progetto non presenta caratteristiche distintive particolari, con essa si attua in sostanza l’aggiornamento continuo dell’archivio delle giacenze, attraverso un processo di tipo sequenziale nel rispetto delle normative aeronautiche precedentemente citate.
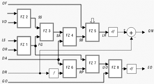
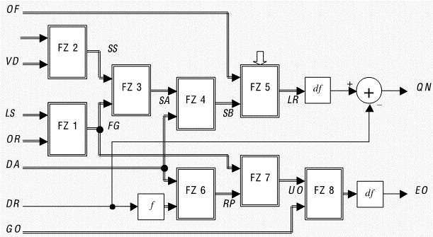
La sezione di calcolo dei fabbisogni è invece un vero e proprio sistema fuzzy, composto da più blocchi d’inferenza. La progettazione di tale sistema prevede un’analisi accurata, nel rispetto della sequenza logica delle fasi di progettazione. Allo scopo vengono definite otto variabili d’ingresso e due variabili d’uscita. Il numero di variabili scelte è il risultato di una sperimentazione basata su modelli statistici a regressione lineare e reputo che garantisca il giusto compromesso tra le due esigenze opposte di completezza e semplicità.
Il grafico corrispondente a tale impostazione è il seguente:
Le linee doppie rappresentano variabili e blocchi fuzzy, quelle semplici variabili e operatori algebrici. Le variabili d’ingresso devono sempre essere sottoposte all’operazione di “fuzzificazione”, che è sottintesa per tutte le variabili tranne che per la disponibilità reale (DR), essendo essa utilizzata sia come variabile fuzzy sia con il suo valore numerico effettivo. Si possono osservare i due percorsi di calcolo che portano alle due uscite: il primo percorso determina la quantità necessaria al ripristino delle scorte (QN), il secondo decide se è opportuna l’emissione dell’ordine (EO).
Determinazione della quantità necessaria (QN)
Questa parte del sistema coinvolge sette delle otto variabili d’ingresso. Il fabbisogno è deciso in base alla situazione effettiva delle giacenze, ai consumi previsti e a una serie di variabili tendenti a influenzare opportunamente la quantità di scorte ritenuta più adatta nelle diverse situazioni.
Per una maggiore comprensione della sequenza logica delle operazioni, è opportuno descrivere il funzionamento andando a ritroso, partendo dall’uscita finale per giungere ai primi blocchi di calcolo e alle variabili d’ingresso: la variabile d’uscita quantità necessaria (QN) è calcolata algebricamente come differenza tra la variabile intermedia livello di riordino (LR) e le disponibilità reali (DR), che in questa parte del sistema rappresentano una variabile numerica non fuzzy.
L’uscita fuzzy della prima parte del sistema è quindi proprio la variabile LR, che rappresenta la quantità a cui si ritiene debbano essere ripristinate le giacenze. Su tale variabile si deve eseguire l’operazione di defuzzificazione, al fine di ottenere il valore numerico da cui sottrarre l’entità delle disponibilità reali.
Nel determinare il livello di riordino si deve tenere conto, tra le altre cose, di eventuali ordini in corso. Trascurare l’eventuale esistenza di lotti di merci in arrivo porta infatti a sovrastimare i reali fabbisogni. Nel sistema la questione è affrontata nel blocco 5, che stabilisce il livello di riordino a partire da eventuali ordini dai fornitori (OF) attualmente in corso e dal valore della scorta base (SB).
La scorta base, definibile come la quantità di ripristino al netto degli ordini in corso, viene determinata nel blocco 4, tenendo conto del contributo della domanda attesa (DA) e della scorta aggiuntiva (SA). La domanda attesa è una stima dei consumi che si avranno nel corso del lead time, la scorta aggiuntiva serve a introdurre nella gestione le fonti d’incertezza e gli orientamenti strategici dell’azienda. Essa viene calcolata nel blocco 3, a partire dalla variabile filosofia di gestione (FG) e dal valore della scorta di sicurezza (SS), uscite dei primi due blocchi fuzzy.
Nel blocco 1 gli ingressi sono costituiti dalle due varia- bili livello di servizio desiderato (LS) e onerosità di giacenze e rimanenze (OR), entrambe direttamente legate alla strategia aziendale. Esse influenzano la filosofia di gestione, variabile che serve sia per determinare la scorta aggiuntiva sia per stabilire l’urgenza di una ordinazione. Nel blocco 2 viene stabilita la variabile scorta di sicurezza, introdotta per assicurarsi un margine di errore nelle stime. Gli ingressi di questo blocco sono la variabilità della domanda (VD) e la variabilità dei tempi di consegna (VT), che influenzano in modo simile la gestione, valutando il livello d’incertezza insito nel processo decisionale.
Nella costruzione del modello appena descritto, il concetto primario che occorre tenere in considerazione è che la logica fuzzy rappresenta il punto di passaggio tra le conoscenze di tipo empirico e la loro elaborazione numerica. Tali regole sono qualitative, espresse con linguaggio naturale, ma costituiscono, al tempo stesso, una descrizione formale del sistema. Infatti, una volta messe in relazione con le funzioni di appartenenza, esse forniscono un modello del sistema puramente numerico, su cui può lavorare anche un calcolatore. Una regola fuzzy è solitamente espressa con una costruzione di tipo conseguenziale (if-then) e può presentare uno o più antecedenti e uno o più conseguenti. Una regola con un antecedente e un conseguente assume, quindi, la seguente forma: se x è contenuto nell’insieme A allora y è contenuto nell’insieme B (if x is in A than y is in B).
Le funzioni rappresentative degli “insiemi di appartenenza” costituiscono la struttura portante per superare la logica di calcolo empirico e orientarsi verso la logica di calcolo a reti neurali. Lo schema di processo è costituito da quattro unità fondamentali: la base di conoscenza e le tre unità di calcolo fuzzificazione, inferenza e defuzzificazione.
La base di conoscenza contiene tutte le informazioni sul sistema, che permettono alle altre unità di elaborare i dati d’ingresso per ottenere le uscite. Tali informazioni possono essere suddivise in “dati di base” e “regole di base”. I dati di base comprendono la descrizione di tutte le variabili con le loro funzioni di appartenenza, le regole di base comprendono le regole linguistiche d’inferenza.
La fuzzificazione è il processo di esecuzione degli elaborati di calcolo riferiti alle variabili di entrata. Essa è propedeutica alla costruzione di un modello che consente la definizione di una metodologia di regressione lineare con l’obbiettivo di determinare le due variabili con il maggiore livello di intensità rispetto alla criticità dei processi. In altri termini, la fuzzificazione può essere definita come il processo propedeutico nel ricondurre il cluster inziale delle variabili a una struttura duale booleana, on/off o anche 0/1.
L’inferenza (o motore di inferenza) è il cuore del sistema fuzzy. Utilizzando le informazioni contenute nella base di conoscenza, esso determina lo stato delle uscite corrispondente a una determinata configurazione degli ingressi.
La defuzzificazione può essere eseguita utilizzando varie strategie, nessuna delle quali si può considerare la migliore in assoluto. È compito del progettista stabilire qual è la metodologia che meglio si adatta alle esigenze soggettive e uniche dell’impresa, in ottemperanza alle normative imposte dal regolatore.
Per quanto riguarda la specificità dei componenti di ricambio di un aeroplano, che come detto sono soggetti a un processo continuo di “track record”, al fine di garantirne la continua aero navigabilità, attraverso dei test si è proceduto a identificare i due metodi più efficaci per la definizione puntuale delle variabili d’uscita: il “metodo di massimo” e il “metodo del baricentro”.
Nel metodo di massimo viene scelto il punto in cui la funzione di appartenenza d’uscita raggiunge il suo massimo. Se i punti di massimo sono molteplici, è possibile decidere se scegliere il primo (metodo del primo massimo), l’ultimo (metodo dell’ultimo massimo) o la loro media (metodo della media dei massimi). Tale scelta deve essere orientata verso il risultato più plausibile, trascurando eventuali contributi di minor peso.
Il metodo del baricentro è anche detto metodo del centroide o COG (Center of Gravity). Il valore calcolato è l’ascissa del baricentro della figura formata dalla funzione di appartenenza.
Il processo finale di emissione dell’ordine (EO)
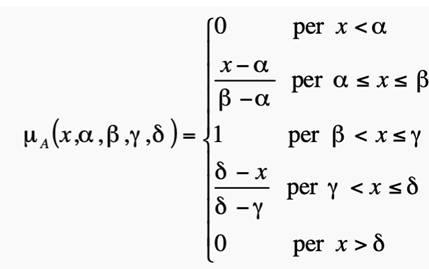
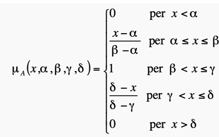
La funzioni di appartenenza possono essere definite secondo diverse tipologie, nel nostro caso specifico, considerando il ciclo di vita dei componenti aeronautici, i test e gli esperimenti eseguiti consigliano di utilizzare un insieme di appartenenza trapezoidale, definito secondo il seguente schema:
Considerando un insieme A e una funzione µ, e considerando, inoltre, gli estremi α e δ e i valori inferiore e superiore dell’intervallo di massimo β e γ, abbiamo che la funzione complessiva di appartenenza è definita secondo il seguente sistema di funzioni:
Tale insieme funzionale può essere rappresentato graficamente attraverso un trapezoide che ne descrive i possibili output algoritmici:
La scelta della funzione di appartenenza è determinante nella messa a punto di un sistema fuzzy coerente con le esigenze di un magazzino contenente parti di ricambio e componenti aeronautici. Considerando la specificità del materiale immagazzinato e considerando, inoltre, che la funzione di appartenenza determina le caratteristiche dei processi di fuzzificazione degli ingressi e defuzzificazione delle uscite, si avrà che:
- il calcolo algoritmico della variabile d’ingresso ne valorizza il corrispettivo in termini monetari sulla base della descrizione del componente e del suo status;
- il calcolo algoritmico degli stessi parametri riferiti alla variabile d’uscita durante il processo di defuzzificazione ci garantisce, secondo una logica booleana di tipo duale, non solo di poter calcolare analiticamente le variabili di costo correlate ai processi di immagazzinamento e storage dei componenti per come già descritte, ma anche di contestualizzare e delimitare il range di scelte decisionali a un approccio duale, e quindi ridurre drasticamente le possibilità di decisioni errate.
Gaetano Intrieri, professore di Management and Operation in Aeronautics
del Corso di Laurea Magistrale in Ingegneria Aeronautica e Aerospaziale
e di Economic in Aviation del Master in Gestione dell’Aviazione Civile
della Facoltà di Ingegneria Aeronautica e Aerospaziale
(Università degli Studi di Roma La Sapienza)
Bibliografia
1 – Vittorio Coda “I costi standard nella programmazione e nel controllo della gestione”, 1969; – “Progettazione delle strutture organizzative”, 1973; – “La valutazione della formula imprenditoriale”, 1984.
2. La deregolamentazione delle compagnie aeree è il processo di rimozione delle restrizioni di ingresso sul mercato e di prezzo, imposte dai governi alle compagnie aeree. Esso è riferito al Deregulation Act del 1978 attraverso cui, negli Stati Uniti, venne sviluppata una nuova forma di regolamentazione del settore del trasporto aereo più rispettosa dei principi del libero mercato, non più condizionato dalle restrizioni e dalle tariffe imposte dai regolatori. Dal 1992 la deregolamentazione delle compagnie aeree è stata applicata anche in Europa e questo ha consentito l’espansione delle aerolinee cosiddette Low Cost Carrier (LCC).
3. Herbert David Kelleher ha fondato e guidato la Southwest Airlines Company per oltre 30 anni consecutivi di redditività. Durante il suo mandato, ha prodotto per gli azionisti di Southwest il maggior ritorno sull’investimento in capitale (ROE) mai realizzato da una società quotata a Wall Street. Kelleher era noto per il rigoroso taglio dei costi tanto quanto per il suo stile di gestione amichevole e l’amore per le feste e le acrobazie pubblicitarie. La rivista Fortune ha incoronato Southwest come il miglior posto di lavoro in America nel 1998. Lo stesso Kelleher fece incetta di importanti riconoscimenti: Wings Club, 1996; CEO of the Year – Texas Monthly, 1999; CEO of the Century – Fortune, 2001: CEO of the Year, Fortune – , Franklin Institute, 2003: Bower Award for Business Leadership.
4. Nelson P. Repenning è Associate Dean of Leadership and Special Projects e Direttore di Facoltà del MIT Leadership Center ed è, inoltre, Distinguished Professor of System Dynamics and Organization Studies presso il MIT Sloan School of Management. I suoi lavori di ricerca si sono concentrati sulla comprensione dell’incapacità delle organizzazioni di sfruttare strumenti e pratiche consolidate. Ha lavorato anche come consulente di organizzazioni che cercano di sviluppare nuove capacità sia nella produzione che nello sviluppo di nuovi prodotti. Alcuni dei suoi paper sono stati insigniti di prestigiosi premi, tra cui quello del California Management Review e del Journal of Product Innovation Management.
5. Regolamento europeo CE 2042/2003 del 20 novembre 2003.



