Introduction
The impact that management control systems have on the design and planning of the corporate organizational structure and the relative social effects triggered by the change in the relational balance inside the organization is always considered a critical item in aviation, especially in businesses that produce high-tech maintenance, such as the process mechanisms of an airline.
The Maintenance in Aeronautics
In air transport, the maintenance processes are extremely critical, behind to having to ensure flight safety, they deeply affect the income statement of an airline.
The aim of this research is to introduce an all-encompassing approach to the maintenance management control of an airline both considering it integrated in the business processes related to flight operations and introducing a three-dimensional vision of internal processes through the association of a “third dimension” to the two already widely consolidated in the literature known as paradigms of effectiveness and efficiency.
We can define this third dimension as the “social” dimension, a direct consequence of the dynamic interactions between controller and controlled or as a network of relationships and value generated by company management and its interactions with the stakeholders of the organization devoted to maintenance processes.
The economic control systems of the processes, can be declined according to two different approaches:
- The first approach is oriented to rational techniques by developing quantitative models to aggregate costs around a product or process being analysed;
- The second approach is oriented in defining a control system focused on specific models based on social interrelations defined by Vittorio Coda(1) the “system of stakeholders” within his “entrepreneurial formula”.
The increasingly interest in relating the control structure with organizational design is strictly correlated with the evolution of management control systems. Over the last decade, starting on the cost configurations of the product and passing through the methodology of cost centers, the research on the best practice about management control systems has been focusing on the control of internal process activities (Activity Base Costing). In this scenario, human resources, as primary actors of the enterprise’s operating mechanisms, have taken on an ever more important role in the analysis processes on management control models. The relationship between these control models and organizational structures has become increasingly critical especially in a context such as processes to ensure the safety of an airplane.
The market’s globalization has increased the number of subjects in the competitive arena of several business sectors. Air transport, following to “The Deregulation Act” (1978)(2), has experienced a significant development of players and the consequent significant increment of competitiveness within its market. This had significant effects on the life cycle and internal processes of airlines. They have constantly had needed to improve the efficiency and effectiveness standards of internal processes in order to cope with a growing competition. Only the players who have implement these standards have guaranteed a profitable entrepreneurial life cycle, the others had to leave the market, either because absorbed by larger and more efficient organizations or because they went in bankruptcy. The interaction between the management control system and organizational planning seems to be an increasingly critical element in the macroeconomic scenario of air transport in continuous evolution and consequently the maintenance process, due to its already highlighted criticalities, has been showing to be a fundamental factor in the entrepreneurial success (or failure) of the numerous initiatives that have populated the industry since the “Deregulation Act”.
Nowadays it’s no longer possible to take in place empirical control models unrelated to the organizational model proposed. It is necessary to draw a path of mutual adaptation by codifying the relationships of potential compatibility. The definition of this pattern cannot be standardized as there is not a single management control model suitable for all airlines. Each company is unique and has exclusive social, cultural and relational characteristics that make it different from any other. As result, it is necessary to implement a control system which as well as providing the expected levels of efficiency and effectiveness, must be consistent with the uniqueness of the socio-organizational dimension and integrated into the social fabric of the business.
In order to accomplish a control model suitable for the specificity of an airline and even more for the specificity of maintenance processes, it is necessary to outline an analytical process that defines the level of compatibility between control models and organizational models in order to introduce a positive and univocal relationship with the social values that determine the positioning of the stakeholder system within the entrepreneurial formula.
The research work on advanced management models has been characterized since the 1980s by a partial vision of the internal mechanisms of the company, some researchers pursued methodologies mainly focused on mathematical functions, others were inspired by a sort of sociocultural logic. It is evident that until the advent of Herb Kelleher(3) that disrupted the entrepreneurial concept of service companies in air transport, the prevalent approach in air transport was oriented towards empirical control models of functional mathematical type. They often were hardly efficient because not appropriate to intercept and prevent the multitude of exogenous variables that are located in this business model. Kelleher focused on a different approach by pursuing the application of models incorporating effective items in tackling the negative effect of exogenous variables on the efficiency of internal process mechanisms.
To determine a functional structure in increasing the efficiency rates of maintenance processes, a backward path is needed. It is necessary to start from the early 90s when the evolution of research on business management opened to consider a less sectarian vision by approaching a definition of the company as a correlated set of control models and organizational models. Specifically, the literature on the subject developed through four tendencies of thought:
- Some scholars focused on the external context in order to verify the influence of external contingencies on the historical path of the company and in turn to determine the propensity of the organization to accept the change triggered by the use of new management control systems;
- A second tendency of thought focused on internal aspects of the organization highlighting the influence of the management control system on hierarchical integration processes through the processing of the information necessary to the manager for managing internal change;
- A third line of research focused on the importance of the management control system in reference to the development and management of interdependencies in the design of the organisational structure;
- A final cluster of research can be traced back to a vision of the management control system as a tool to stimulate change in the organizational structure for people who is being involved in the processes.
Starting from these four different literary approaches, the evolution of research, rather than finding shared analysis paths, has generated a further process of stratification. The only shared conceptual item can be identify on the idea that implementation of a management control model defines new interrelationships between the actors of the business processes not only for the variation of the hierarchical balances but also for a necessarily different management of internal information flows. It seems quite logical to deduce that the organization is considerably influenced by a redefinition of the control model so, a process of adaptation of the organic plant and interdependencies must necessarily put in place to take out the risk of invalidating the effectiveness of the implemented model which is specific and unique as each company.
In the other hand, redesigning the organizational structure of a company cannot refer exclusively to the social interrelationships between the players that make it up. As result, leaving out the relationship with the control mechanisms of internal processes, even more if we consider the fact that such mechanisms are increasingly oriented towards activities and less towards the processes of aggregation of costs into the product.
According to these considerations, an all-encompassing approach appears appropriate in redefining the relationship between management control models and models relating to organizational planning relating to aircraft maintenance processes. Specifically, it would be interesting to verify if there is the possibility of thinking about a control system that, in addition to processing data by transforming them into information in order to facilitate decision-making processes, it can, at the same time, contribute to the definition of the process. integration using a different observation method from those proposed by the existing literature. The idea is to make use of a three-dimensional perspective, which we can figuratively describe as the intersection at a point that defines the best solutions of three vectors representing respectively the level of efficiency, the level of effectiveness and the level of social intensity. This system idea has not to be considered as a mere indicator of the quality of the political-social interrelation system that correlates the company with its internal and external stakeholders, but rather it has to be considered as an effort to extend the concept of social value through a critical path defined by a process of integration and setting of skills. The final aim is to extend the individual dimension of the stakeholder by declining this model as an aggregate unit of industrial relations strictly connected with the process flows necessary for the functioning of the internal mechanisms of a company with a high coefficient of criticality as a maintenance company in the aeronautic.
Specifically, the three-dimensional system to which I refer is the synthesis of two models: the first is oriented to advanced quantitative control methods, the second is oriented to the design of the organizational structure according to a linear regression process focused on the specific knowledge of human resources.
The construction of the three-dimensional model
Starting from these two models, the system is built according to a methodology in progressive stages. According to a purely methodological point of view, it intends to create a planar map of each model examined and subsequently analyze the intersections of the floors to identify common methods on two of the three proposed dimensions: efficiency and effectiveness. The common methods identified will constitute the essence of the new proposed model to which, in order to make the model complete, the proposed third dimension will be associated with the intensity of social value through the use of directly “derivable” methodologies from social disciplines.
Therefore, this model must be subjected to a quantitative analysis to examine its real characteristics and, at this stage of the process, any operational adjustments should be considered to ensure the reliability and applicability of the final result compared to a real scenario. The ultimate goal is to create a concrete model that is immediately applicable to the managerial context of a complex organization such as the one that deals with aeronautical maintenance.
The maintenance processes in aeronautics
Companies operating in the aircraft maintenance are called MRO (Maintenance Repair Organization). They provide maintenance, repair and overhaul services for commercial aircraft and components. MROs can be independent companies offering their services to airlines or they can be a department of an airline that provides “in house” maintenance services for its own fleet and in some cases also sells its maintenance services to third parties. Aircraft maintenance services are processed according to standard criteria that we can certainly define sequential, and which are developed according to a routine cyclical model imposed by the service bulletins published by aircraft manufacturers. The set of these bulletins constitutes the maintenance program, each model of airplane has its own maintenance program approved by the aviation authorities that manage the surveillance and safety of the flight.
From the scenario described above, we can easily take a first important consideration: the aerial maintenance process is characterized by being composed of actions that are repeated cyclically and that are almost identical in the performance model. In turn, it can be easily deduced that the planning of organizational management is led to assume “static” contours. There is a tendency to develop organizational charts and workflows and set specific internal policies always remaining the same since they are based on processes, rather than orienting themselves in setting policies to improve them. The design of work, therefore, often remains unchanged and does not take into account how the dynamics within organizations are constantly in motion.
In the air transport industry and especially as regards the maintenance part, many players keep carrying out their routine activities without taking into account the increasing technological complexity in an environment that is already advanced in technology and the level of competitiveness imposed by the markets, which are in turn increasingly conditioned by an irreversible process of globalization.
What happens when the job gets moving in the system triggering problems not described in the job design? It often happens that firms trying to develop alternative solutions and as result response time increases, problems accumulate, and orders are delayed. When organizations get blogged down in this situation, new initiatives often lag behind, costs rise, and employee frustrations rise. This results in the organization failing or not fulfilling its potential and this is what frequently characterizes the history of many of the MROs over the last thirty years.
A typical mistake is that of blaming individuals rather than the system for the recurring problems encountered within the organization. As research suggests, a bad system consistently defeats a good employee, despite good intentions and a strong work ethic (Repenning 2017)(4). Only once the design of the work is substantial and consistent with the processes should we move on to the analysis of individual performance and how to manage them. Conversely, we often fall into what we can define as the “hidden traps” that condition the decision maker and that reside in the static and repetitive processes of a company. These traps mostly originate from three orders of factors: the first of heuristic type, the second manifests itself in the form of prejudice and the third in the form of irrational anomalies in our thinking. What makes all of these traps so dangerous is their invisibility. They are hardwired into our thought process and we fail to recognize them even if we fall into them. Being trapped in these forms of prejudice makes the evolution and innovation of processes even more difficult, especially when the processes have a high level of routine such as those relating to air maintenance.
Air transport is one of the industry most affected by the effects of COVID-19, what appears to be an endless crisis, in the medium term, it might contribute to an evolution of all processes inside the value chain of air transport industry. The real challenge that all air transport players have to get through is a total review of the processes trying to reach an advanced level of efficiency that can guarantee an adequate level of effectiveness for the new balances that will be generated in the value chain of the post-pandemic air transport.
In this scenario, MROs will play an absolutely fundamental role and only those who know how to innovate and rethink the concept of process standardization will be able to acquire a concrete and sustainable competitive advantage over time. To achieve this aim, it is necessary to overcome the aforementioned traps of the unconscious and move towards the innovation of processes and the organizational project. In this scenario, even the regulatory bodies, starting with the FAA (Federal Aviation Administration) and EASA (European Aviation Safety Agency) ought to open up to trials and consider the certification of the new procedures.
A practical example of process innovation in the aerial maintenance ecosystem: the management of a spare parts warehouse
The introduction of innovative methodologies in the area of production and inventory management (such as just in time) and models of attention to quality (lean production) has generated a dynamic vision of the company warehouse. The goal is to reduce direct and indirect operating costs that often make global procurement management burdensome and inefficient. In this context, where rigid analytical criteria coexist with empirical and static solutions due to the repetitiveness of process events, the inclusion of an innovative control philosophy such as the logic of neural networks in an aeronautical environment can truly represent a management revolution in terms of costs, quality of performance and safety. It is necessary in advance, without considering the subdivision of spare parts in compliance with the aeronautical regulations Part M(5), to proceed to frame the costs associated with stocks:
1. Costs of warehouse fixed assets: Referred to the costs of stocks. They are proportional to the quantity of the stocks themselves, to their value and to the time of storage.
The main items that make up the storage costs, ordered indicatively in decreasing order of importance are:
- Opportunity cost of fixed capital in inventories: this is the potential financial income which is renounced by deciding to maintain a certain level of inventories. It is calculated by estimating how much could have been obtained by investing the capital committed in stocks in another way. The interest on a bank deposit can be considered as a minimum annuity, but corporate investments generally provide higher returns, therefore an estimate based on the value of the rate of return normally obtained by a company through financial fixed assets is more realistic: MARR (Minimum Attractive Rate of Return).
- Costs incurred to insure against any risk of fire, theft or other: proportional to the unit value of the product.
- Operating costs of storage and handling: they can be of many types and depend above all on the physical characteristics of the product: cost of the space used, cost of utilities in the warehouse, cost of handling work, etc.
- Costs due to product obsolescence or limited life cycles of spare parts: it is probably the most volatile cost item, being insignificant for some products and decisive for others. Aviation rules require constant observation of spare parts in stock, especially in relation to LLP (Life Limited Parts), which need to be periodically re-certified. There are also some parts related to avionics components, which lose value with the passage of time. Under these circumstances it is crucial to ensure a high turnover of stock.
2. Costs of the orders: they generally increase as inventories decrease. To keep the level of stocks low, frequent orders of small quantities are needed. Some costs, due to the issuing of orders, transport or reception, are strictly linked to the number of orders, and do not depend on their size.
3. Costs for “out of stock”: they are the costs or losses due to the non-fulfillment for spare parts requested and the consequent inoperative state of airplane on ground (AOG).
The following indirect costs are thus generated:
- the assistance required by law to passengers who cannot use the service;
- the possible use of a backup aircraft with consequent ferry flight and related costs;
- the positioning of a certified staff for restoring operation of the aircraft on ground.
These costs often become the “Achilles’ heel” of airlines, and in many cases contribute significantly to their failure. They increase as inventories decrease, as peak demand is more likely to be met if the safety stock is high. They are undoubtedly the most difficult costs to quantify and predict, and for this reason they are not included in most analytical management models, which take into consideration only the first two cost categories.
In the ecosystem of an MRO, the management of spare parts in the warehouse is a very critical factor. To address this complexity, the idea is to take advantage of neural network models, developing the design of a modular compendium that provides for the division of the general structure of the component management system into two interacting sections:
- an algebraic one: updating the inventory;
- one with neural networks: in order to estimate the needs of the demand.
The inventory update is therefore performed in a deterministic manner, while the task of managing the problem of uncertainty linked to needs is delegated to the logic of the neural network or fuzzy logic.
The first section of the project has no particular distinctive features, it provides for the continuous updating of the stock archive through a sequential process in compliance with the aeronautical regulations mentioned above.
The section for calculating needs is instead delegated to the fuzzy system, composed of several blocks of inference. The design of this system requires an accurate analysis, respecting the logical sequence of the design phases. For this purpose, eight input variables and two output variables are defined. The number of variables chosen is the result of an experimentation based on linear regression statistical models in order to guarantee the right compromise between the two opposite requirements of completeness and simplicity.
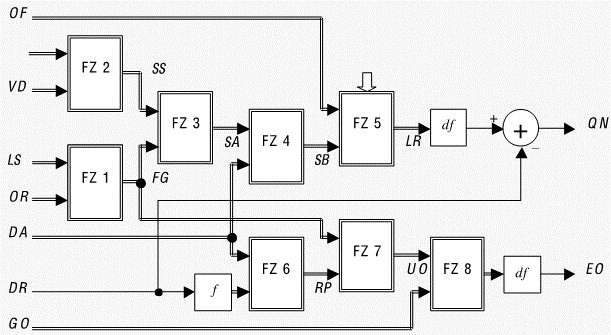
The graph corresponding to this setting is the following:
Double lines represent variables and fuzzy blocks, the single lines represent variable and algebraic operators. Input variables must always be subjected to the operation of “fuzzification”, which is implied for all variables except for actual availability (DR), being used both as a fuzzy variable and with its actual numerical value. You can observe the two calculation paths that lead to the two exits: the first path determines the amount necessary to restore the stocks (QN), the second decides whether the issue of the order (EO) is appropriate.
Determination of the necessary quantity (QN)
This part of the system involves seven of the eight input variables. Requirements are decided on the basis of the actual stock situation, expected consumption and a series of variables tending to appropriately influence the quantity of stocks deemed most suitable in the various situations. For a better understanding of the logical sequence of operations, it is appropriate to describe the operation going backwards, starting from the final output to reach the first calculation blocks and the input variables: the output variable necessary quantity (QN) is calculated algebraically as the difference between the intermediate variable level of reordering (LR) and the real availabilities (DR), which in this part of the system represents a non-fuzzy numeric variable. The fuzzy output of the first part of the system is the LR variable which represents the estimate quantity at which the stocks should be restored. The defuzzification operation must be performed on this variable, in order to obtain the numerical value from which to subtract the amount of real availabilities.
In determining the reorder level, any orders in progress must be taken into account, among other things. Neglecting the possible existence of batches of incoming goods leads in fact to overestimate the real needs. In the system, this issue is addressed in block 5, which establishes the reorder level starting from any orders from suppliers (OF) currently in progress and the value of the basic stock (SB).
The basic stock, which can be defined as the restore quantity net of orders in progress, is determined in block 4, taking into account the contribution of the expected demand (DA) and the additional stock (SA). The expected demand is an estimate of the consumption that will occur during the lead time, the additional stock is used to introduce the sources of uncertainty and the strategic orientations of the company into the management. It is calculated in block 3, starting from the management philosophy variable (FG) and the value of the safety stock (SS), outputs of the first two fuzzy blocks. In block 1 the inputs are made up of the two variables, the desired service level (LS) and the cost of inventories and inventories (OR), both directly linked to the company strategy. They influence the management philosophy (FG), a variable that serves both to determine the additional stock and to establish the urgency of an order. In block 2 is established the emergency stock variable. It is introduced to ensure a margin of error in the estimates. The inputs to this block are the variability of demand (VD) and the variability of delivery times (VT) which influence management in a similar way evaluating the level of uncertainty inherent in the decision-making process.
In the construction of the model just described the primary concept that must be taken into consideration is that fuzzy logic represents the transition point between empirical knowledge and its numerical processing. These rules are qualitative, expressed in natural language, but at the same time constitute a formal description of the system. In fact, once related to the membership functions, they provide a purely numerical model of the system, on which even a computer can work. A fuzzy rule is usually expressed with a consequential construction (if-then) and can have one or more antecedents and one or more consequents. A rule with an antecedent and a consequent therefore takes the following form: if x is contained in set A then y is contained in set B (if x is in A than y is in B).
The representative functions of “membership sets” constitute the backbone to overcome the logic of empirical computation and move towards the logic of neural network computation.
The process scheme consists of four fundamental units, the knowledge base and the 3 calculation units:
fuzzification, inference and defuzzification.
The knowledge base contains all information about the system, which allows other units to process input data to obtain outputs. This information can be divided into “basic data” and “basic rules“. The basic data includes the description of all variables with their membership functions, the basic rules include the inference language rules.
Fuzzification is the process of executing computational processing related to input variables. It is preparatory to the construction of a model that allows the definition of a linear regression methodology with the aim of determining the two variables with the highest level of intensity compared to the criticality of the processes. In other words, fuzzification can be defined as the preparatory process in bringing the initial cluster of variables back to a dual Boolean structure, on/off or even 0/1.
Inference (or engine of inference) is the heart of the fuzzy system. Using the information contained in the knowledge base, it determines the status of the outputs corresponding to a given input configuration.
Defuzzification can be carried out using various strategies, none of which can be considered the best ever. It is the responsibility of the designer to determine the methodology that best suits the subjective and unique needs of the company in compliance with the regulations imposed by the regulator.
As regards the specificity of the air spare parts which, as mentioned above, are subject to a continuous process of “track records” in order to ensure their continuous airworthiness, tests have been carried out to identify the two most effective methods for the precise definition of output variables: the “maximum method” and the “centroid method“.
In the maximum method, the point at which the output membership function reaches its maximum is chosen. If the maximum points are multiple, you can decide whether to choose the first (maximum first method), the last (maximum last method) or their average (maximum average method). This choice should be oriented towards a more plausible result, disregarding any contribution of less weight.
The centroid method is also called COG (Center of Gravity). The calculated value is the abscissa of the center of gravity of the figure formed by the membership function.
The final process of issuing the order (EO)
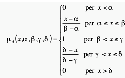
The membership functions can be defined according to different types, in our specific case, considering the life cycle of the aeronautical components, the tests and experiments performed, recommend using a trapezoidal membership set defined according to the following scheme:
Considering a set A and a function µ, and also considering the extremes α and δ and the lower and upper values of the maximum interval β and γ, we have that the overall membership function is defined according to the following system of functions:
This functional set can be graphically represented through a trapezoid that describes the possible algorithmic outputs:
The choice of the membership function is decisive in the development of a fuzzy system consistent with the needs of a warehouse containing spare parts and aeronautical components. Considering the specificity of the stored material and considering and also that the membership function determines the characteristics of the processes of fuzzification of the inputs and defuzzification of the outputs it will be had that:
- the algorithmic calculation of the input variable defines the value in monetary terms based on the description of the component and its status;
- the algorithmic calculation of the same parameters related to the output variable during the defuzzification process guarantees us according to a Boolean dual logic not only to be able to calculate analytically the cost variables related to the storage processes and component storage as described above, but also to contextualize and delimit the range of decision-making choices to a dual approach and thus drastically reduce the chances of wrong decisions.
Gaetano Intrieri, Management and Operation in Aeronautics and Economic in Aviation’s professor
(Università degli Studi di Roma La Sapienza)
Bibliography
1 – Vittorio Coda “Standard costs in planning and management control”; 1969; – “Planning of organizational structures”, 1973: – “The evaluation of the entrepreneurial formula” – “The strategic orientation of the enterprise”, 1988; – “The problem of strategy evaluation”, “Economia & Management”, 1990.
2. Airline deregulation is the process of removing market entry and pricing restrictions imposed by governments on airlines. It refers to the Deregulation Act of 1978 through which, in the United States, a new form of regulation of the air transport sector was developed, more respectful of the principles of the free market no longer conditioned by the restrictions and tariffs imposed by the regulators. Since 1992 the deregulation of airlines has also been applied in Europe and this has allowed the expansion of the so-called Low-Cost Carrier (LCC) airlines.
3. Herbert David Kelleher founded and led Southwest Airlines Company for over 30 consecutive years of profitability. During his tenure he produced for Southwest shareholders the highest return on investment (ROE) ever achieved by a Wall Street listed company. Kelleher was known for rigorous cost cutting as much as for his friendly management style and love for parties and advertising stunts. Fortune magazine crowned Southwest the best workplace in America in 1998. Kelleher himself collected important awards: Wings Club, 1996; CEO of the Year – Texas Monthly, 1999; CEO of the Century – Fortune, 2001: CEO of the Year, Fortune -, Franklin Institute, 2003: Bower Award for Business Leadership.
4. Nelson P. Repenning is Associate Dean of Leadership and Special Projects and Faculty Director of the MIT Leadership Center and is also, Distinguished Professor of System Dynamics and Organization Studies at the MIT Sloan School of Management. His research work has focused on understanding the inability of organizations to leverage established tools and practices. He has also worked as a consultant for organizations seeking to develop new capabilities in both manufacturing and developing new products. Some of his papers have been honored with prestigious awards, including that of the California Management Review and the Journal of Product Innovation Management.
5. European Regulation EC 2042/2003 of 20 November 2003





